-
- RTO蓄熱燃燒法有機廢氣治理系統安全性分析
- 發布日期:2021年03月04日 點擊次數:69 所屬分類:新聞中心

蓄熱燃燒法有機廢氣治理系統安全性分析
1?蓄熱燃燒法有機廢氣治理系統簡介
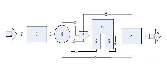
蓄熱燃燒裝置指將工業有機廢氣進行燃燒凈化處理,并利用蓄熱體對待處理廢氣進行換熱升溫、對凈化后排氣進行換熱降溫的裝置,通常簡稱RTO。RTO治理系統因其對有機廢氣凈化效率高、適用范圍廣、適用廢氣濃度范圍廣(較低濃度廢氣經過適當濃縮后可進入RTO進行處理),是目前固定源VOCs治理主要技術之一。常見蓄熱燃燒法有機廢氣治理系統工藝流程圖如圖1所示。

1-廢氣收集2-廢氣管道3-預處理設施4-濃縮設備5-蓄熱室6-燃燒室7-換熱室8-后處理設施9-凈化排放
由于蓄熱燃燒法有機廢氣治理系統內含有的高濃度有機廢氣存在易燃易爆風險,在治理系統中安全性是必需考慮的因素。
2?廢氣收集與輸送管道安全
因有機廢氣的易燃性和存在爆炸的危險性,治理系統的有機廢氣濃度應控制在其爆炸下限的25%以下。當RTO進氣濃度較高時,應采取措施調整廢氣中有機物濃度至其爆炸極限下限25%以下,以確保RTO運行安全。當廢氣濃度波動較大時,應在前端采取稀釋、緩沖等措施,確保進入蓄熱燃燒裝置的廢氣濃度平穩且低于爆炸下限的25%。
當系統風管道采用金屬材質時應采用光滑內壁金屬管、采取法蘭間銅片或銅線跨接、系統管道接地等措施,風管內壁禁止涂刷非導電防腐涂層,防止靜電產生和積聚。當廢氣中含有腐蝕性氣體時,所有集氣罩、管道、閥門和顆粒過濾器均應采用耐腐蝕材料制造或按標準進行防腐處理。除控制處理氣體的濃度、溫度之外,在管道系統適當位置應安裝符合相關規定的阻火裝置。管道系統正壓段應采取措施防止介質泄漏事故發生。當管道內氣體溫度超過60℃時,應做隔熱保護或相關警示標識。
3?預處理和后處理部分安全
當廢氣中含有易自聚物質或自催化物質時,因其受熱易發生自聚或自反應,導致蓄熱體堵塞、系統壓降上升或自燃事故,故此類廢氣不宜直接利用蓄熱燃燒法進行處理。
廢氣預處理設施通常是對廢氣中的粉塵、酸、堿、易自聚物質、大分子物質廢氣、水分、含氯物質、漆霧等進行預處理。當有機廢氣中含有樹脂、顆粒物、固化劑、高沸點芳烴等容易在管道輸送過程中形成顆粒物時,應按物質的性質選擇合適的吸收、吸附和過濾等預處理措施。后處理部分通常是對高溫燃燒生成的NOx或處理含硫或含鹵素有機物產生的二氧化硫、鹵化氫氣體。除了吸收裝置之外,治理系統與主體生產裝置之間、與儲罐收集系統之間應安裝阻火器(防火閥),阻火器的性能應符合相關標準的規定。
袋式除塵器處理高溫熾熱含塵氣體時,在除塵器之前應設有火花捕集器,處理易燃易爆含塵氣體應選用抗靜電濾材并對外殼接地,且應設置防爆泄爆設施。除塵器過濾器應設置壓差計,當壓差超過設定范圍時,應立即清理或更換過濾材料。應做好處理設施防雷防靜電措施,根據不同處理設施分析其存在的安全風險并采取相應防護措施。對于預處理后濕度較大的廢氣應先采取除濕措施后再處理。
4?濃縮部分安全
濃縮吸附材質一般選擇活性炭或沸石轉輪,但活性炭本身在高溫下容易自燃不建議選擇。對于沸石轉輪應關注吸附過量有機廢氣后在高溫狀態下低閃點有機廢氣燃燒現象,進入轉輪吸附區的廢氣溫度宜控制在40℃以下,脫附風溫度宜為180~220℃,不應高于300℃。應關注高沸點有機溶劑油霧過多堵塞轉輪的情況,定期檢查及校正轉輪脫附溫度,在進入轉輪氣室時應按照受限空間安全管理要求落實安全管理措施。轉輪氣室應設置溫度監控和自動連鎖控制系統及N2、消防水等自動滅火設施及防雷防靜電設施。
5?蓄熱室燃燒室換熱器部分安全
蓄熱通常有兩室蓄熱、三室蓄熱和旋轉式蓄熱3種,輔助燃料通常有天然氣、液化石油氣、柴油和電加熱等方式,不論何種燃料蓄熱燃燒裝置,均須設置過載、溫度過熱保護、防爆泄壓裝置等安全措施。燃料供給系統應設置高低壓保護和泄漏報警裝置。應具有過熱保護功能并設置安全可靠的火焰控制系統、溫度監測系統、壓力控制系統等。應安裝符合規定的防雷防靜電設施,具備短路保護和接地保護功能,接地電阻應小于4Ω。裝置應進行整體保溫,隔熱、保溫層應采用阻燃材料,外表面溫度應低于60℃,爐門、檢修門、防爆口、傳感器安置部位等局部區域應低于70℃。
為防止爐體殘留廢氣發生爆炸風險,在開機點火和導入廢氣前應對爐體進行吹掃。燃燒室和蓄熱室前的管道應設置壓力計和安全泄放裝置(安全閥或爆破片裝置)。RTO氣體進出口、燃燒室、蓄熱室和換熱器均應設具有自動報警功能的多點溫度檢測,并與系統連鎖溫度調節。應設置安全放散裝置,燃燒室、蓄熱室溫度檢測應與點火報警系統聯鎖,當溫度過低或火焰熄滅時立即發出報警信號,關閉廢氣進氣閥門并啟動安全放散裝置。應設置超溫強制排風措施,進入燃燒室的廢氣濃度控制在廢氣的爆炸下限的25%以內,燃燒室、蓄熱室進口設置廢氣濃度檢測和報警聯鎖裝置,當廢氣濃度達到爆炸下限的25%時應能立即發出報警信號并啟動安全放散裝置。
6?末端排放部分安全
治理系統排氣筒的采樣平臺應牢固并設置符合標準的防護欄桿,護欄底部應設置踢腳板,對于高溫部分管道應設置防燙措施和警示標識。對高溫部分管道上的調節閥應選用耐高溫閥門并定期檢查,發現異常及時處理。對非防雷保護范圍的排氣筒,應裝設避雷設施。
7?其他安全要求
由于蓄熱燃燒裝置在高溫下操作,存在爆炸的危險,在場址選擇上應遠離油庫、儲油槽、溶劑存放地以及其它危險化學品存放地。由于存在爆炸和著火的危險,系統的消防設計應納入工廠的消防系統總體設計。消防通道、防火間距、安全疏散的設計和消防栓的布置應符合相關規定,按照規定配置移動式滅火器。
必須在治理工程與主體生產裝置之間安裝阻火器或防火閥,壓縮空氣系統應設置低壓保護和報警裝置。輸送高濃度含塵廢氣要選擇除塵風機,輸送高溫廢氣應選擇高溫風機,輸送有腐蝕性氣體的應選擇防腐風機,輸送有爆炸和易燃氣體的必須選用具有防爆功能的風機、電機,還應做好減震措施,風機、電機和現場的電氣儀表等應滿足現場防爆要求。
RTO應設置自動控制,應具有自動記錄溫度變化曲線的功能以備查。根據工藝要求對系統廢氣濃度、溫度、壓力和流量等參數進行自動檢測和控制。RTO裝置設置連鎖應急排氣筒,蓄熱燃燒裝置的爐膛應設置超溫強制排風措施。廢氣治理設備設置區域宜按相關標準設置可燃氣體報警器。
- 相關標簽:新聞中心
-
上一篇:涂裝工藝各工序的操作要點及其環
下一篇:涂裝涂料易產生的十大問題及解決




